Product details
Product category / NTC Temperature Sensor Probe
High Precision NTC Thermistor Sensor For Laser Printer
OTS series NTC temperature sensors, thermistors can be used for office automation equipment, laser printers, copiers roller), temperature monitoring, the NTC temperature sensor has rapid response, high precision, high reliability, high temperature resistant characteristics. Five series are available:FH/ OS/OL/OH/OP
Product feature
Product characteristics
Product application
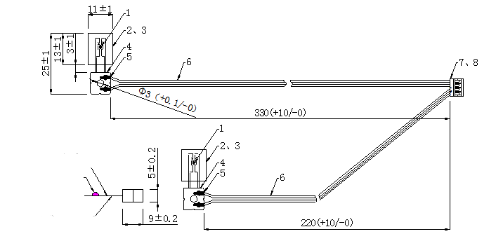
Product Drawing
Product feature
- Good elasticity of the contact surface, Fast response
- High reliability
- Operating temperature range: 0-230℃
- Standard sensor type of office automation facility
- Suitable for laser printer and copier
Product characteristics
- Fast response,good wear resistance,light contact force to reduce damage to roller
- Suitable for laser printer and copier
- Standard sensor type of office automation facility
- Operating temperature-20 ℃-230 ℃
- Thermal time constance ≤2S
- Dissipation factor0.3mW/C(in still air)
Product application
Printer, Copier(photocopier), Multimedia Facility, Laminating Machine,etc.
Product Drawing

- Product Model: OTS-OL
- Wire: UL1332 #22AWG
- Wire length:50-2000mm
- Resistor resistance value:R200=3.7KΩ±5% B(100/200)=5108K±3%
- Operating temperature range:-20℃~230℃
- All the materials comply with the RoHS requirement
| OTS | OL | E | – | 482 | ||
| ① | ② | ③ | ④ |
| ① | ② | ③ | ④ |
|
|||||||
| Product Series Code | Product Type | Resistance & B-value | Length | ||||||||
| OTS | Office Temperature sensor | OL | P type | E | R200=3.7KΩ±5% B(100/200)=5108K±3%
R100=3.3KΩ±5% B(100/200)=4353K±3% |
482 | 482mm | ||||
| Part No. | Electronic parameter | Remark |
| OTS-OL-1 | R180=6.5KQ±5% B25/85=3370K±3% B100/200=3538K±3% | |
| OTS-OL-2 | R200=4KQ±5% B25/85=4557K±3% B100/200=4875K±3% | |
| OTS-OL-3 | R200=3.7KΩ±5% B25/85=4640K±3% B100/200=5108K±3% | |
| OTS-OL-4 | R200=1KQ±5% B25/85=4253K±3% B100/200=4535K±3% | |
| OTS-OL-5 | R100=3.3KQ±5% B25/85=3966K±3% B100/200=4353K±3% | |
| OTS-OL-6 | R180=5.92KQ±3% B(100/200)=5088K±3% |
