Product details
Product category / Electric Vehicle NTC Temperature Sensor
NTC Temperature Sensor Probe for Automotive Air Conditioner
TS series NTC temperature sensors are available with a broad range of lead-wire types and lengths, double-insulated options, connector types and a wide range of NTC thermistors to suit your application.They are widely used in New energy vehicles, smart home or other applications due to their high stability and wide operating range of -30°C-+200°C.
Product feature
Product characteristics
Product application
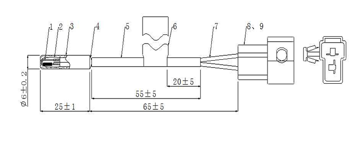
Product Drawing
Product feature
- Stable performance
- High thermal conductivity
- Customized specification
- Easy to install and operate the seal can be done according to the environment
Product characteristics
- Rapid response time, high reliability, stability
- Rated power:10MW
- Thermal time constance≤12S
- Dissipation factor:2.6mW/C(in still air)
Product application
- Automotive, e-vehicle batteries
- Rechargeable battery packs
- Temperature controllers
- Heat-sink monitoring
- Hot water appliances
Product Drawing

- Product Model:TS103F25C3950FA-ML65A
- Wire : AWG26, AWG24 ,AWG 22 or Other
- Wire length:50-2000mm
- Resistor resistance value: R25ºC: 10K ,B25/85ºC: 3435,B25/85: 3977, 3950 or different NTC R-T curve available
- Operating temperature range:-30℃~200℃
- All the materials comply with the RoHS requirement
| TS | 104 |
|
F | 25C | 3950 | F | A | _ | M | L130 | A | |||||||
| ① | ② | ③ | ④ | ⑤ | ⑥ | ⑦ | ⑧ | ⑨ | ⑩ |
| ① | ② | ③ | ④ | ⑤ | ⑥ | |||||||||||
| Product Series Code | Resistance @25℃ | R25
Tolerance |
Test Temp. of Resistance | B-value | B-value Tolerance | |||||||||||
| TS | TS Series
Temperature sensor |
104 | 10×104Ω | F | ±1% | 25C | 25℃ | 3950 | B=3950K | F | ±1% | |||||
| ⑦ | ⑧ | ⑨ | ⑩ | |||||||||
| Test Temp. of B-value | Head Material | Length | Distinguishing Code | |||||||||
| A | 25/50℃ | M | Metal | L130 | 130mm | A | First | |||||
| Part No. | R25℃
(KΩ) |
B(K) | Rated power
@25℃ (mW) |
Dissipation factor(δ)
(mW/℃) |
Thermal time
constant (s) |
| 202F3600A | 2 | 3600 | 10-20 | 2-4 | 3-10 |
| 502F3470A | 5 | 3470 | |||
| 103F3435B | 10 | 3435 | |||
| 303F3936A | 30 | 3936 | |||
| 104F3950A | 100 | 3950 |
