Product details
Product category / Smart Home NTC Temperature Sensor
Ring Lug NTC Temperature Sensor For HVAC systems
TS series NTC temperature sensor, can be supplied with various NTC thermistor to suit your application.The design is made from 304 stainless steel. They are widely used in smart home or other applications due to their high stability and wide operating range of -30°C/+200°C.
Product feature
Product characteristics
Product application
Product feature
- Stable performance
- High thermal conductivity
- Customized specification
- Easy to install and operate the seal can be done according to the environment
Product characteristics
- Rapid response time, high reliability, stability
- Rated power:10MW
- Thermal time constance:1-20s
- Dissipation factor:6mW/C(in still air)
Product application
- Instantaneous water heaters
- Domestic electric showers
- Coffee machines
- Hot water appliances
- Water Temperature
- Transformers and HVAC systems.or other applications etc.
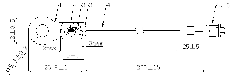
- Product Model:TS103F25C3950FAEQ-NL200A
- Wire : AWG26, AWG24 ,AWG 22 or Other
- Resistor resistance value: R25ºC: 10K ,B25/85ºC: 3435,B25/85: 3977, 3950 or different NTC R-T curve available
- Operating temperature range:-30℃~200℃
- All the materials comply with the RoHS requirement
| TS | 104 |
|
F | 25C | 3950 | F | A | _ | M | L130 | A | |||||||
| ① | ② | ③ | ④ | ⑤ | ⑥ | ⑦ | ⑧ | ⑨ | ⑩ |
| ① | ② | ③ | ④ | ⑤ | ⑥ | |||||||||||
| Product Series Code | Resistance @25℃ | R25
Tolerance |
Test Temp. of Resistance | B-value | B-value Tolerance | |||||||||||
| TS | TS Series
Temperature sensor |
104 | 10×104Ω | F | ±1% | 25C | 25℃ | 3950 | B=3950K | F | ±1% | |||||
| ⑦ | ⑧ | ⑨ | ⑩ | |||||||||
| Test Temp. of B-value | Head Material | Length | Distinguishing Code | |||||||||
| A | 25/50℃ | M | Metal | L130 | 130mm | A | First | |||||
| Part No. | R25℃
(KΩ) |
B(K) | Rated power
@25℃ (mW) |
Dissipation factor(δ)
(mW/℃) |
Thermal time
constant (s) |
| 202F3600A | 2 | 3600 | 10-20 | 2-4 | 3-10 |
| 502F3470A | 5 | 3470 | |||
| 103F3435B | 10 | 3435 | |||
| 303F3936A | 30 | 3936 | |||
| 104F3950A | 100 | 3950 |

